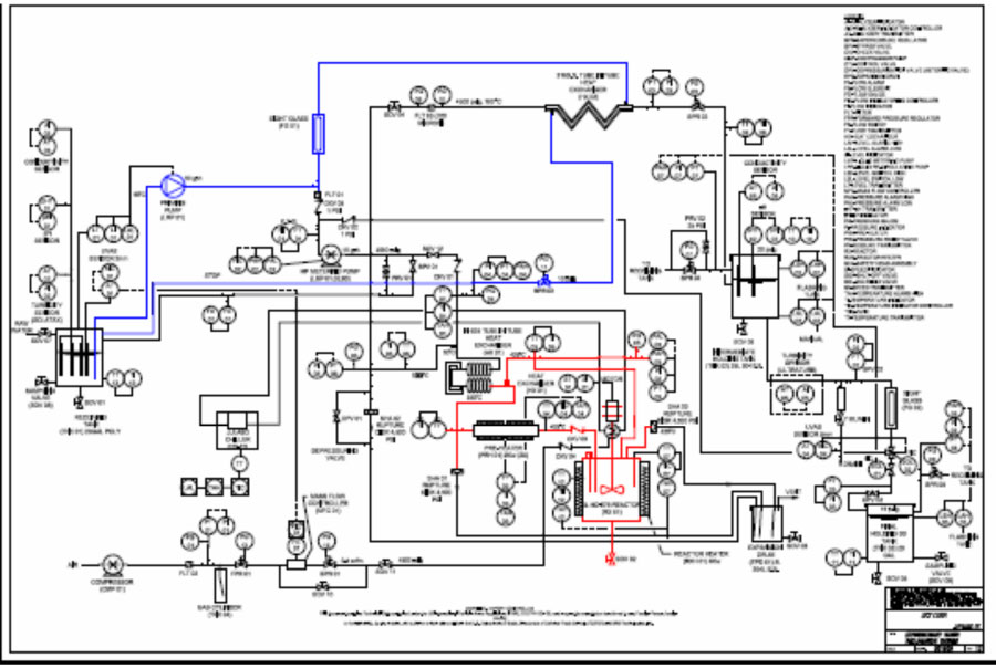
Rozwiązania niestandardowe

Opierając się na swoim doświadczeniu w zakresie projektowania i wiedzy o procesach, termodynamice, mieszaniu, kontroli i specjalnych materiałach potrzebnych do budowy, współpracujemy bezpośrednio z zespołami badawczymi z sektora administracji publicznej, uniwersytetów i sektora prywatnego w celu opracowania i stworzenia niestandardowych urządzeń do wysoce wyspecjalizowanych zastosowań.

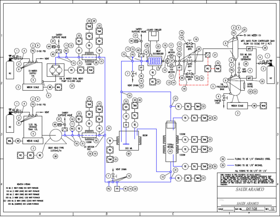
SYSTEMY DO REAKCJI I EKSTRAKCJI DWUTLENKIEM WĘGLA W STANIE NADKRYTYCZNYM

Wykorzystując technologię naszych wysokiej klasy reaktorów i ekstraktorów, opracowujemy dostosowane do potrzeb klienta urządzenia do reakcji i ekstrakcji w stanie nadkrytycznym przeznaczone do pilotażowego i pełnoskalowego przetwarzania produkcyjnego.

SYSTEMY WODY W STANIE PODKRYTYCZNYM/NADKRYTYCZNYM

Pomogliśmy zaprojektować i zbudować systemy ekstrakcji wodą w stanie pod- i nadkrytycznym oraz systemy utleniania wody w stanie nadkrytycznym do wielu wysoce specjalistycznych zastosowań, w tym niszczenia materiałów niebezpiecznych, oczyszczania wody i przetwarzania biopaliw.

© 2026 Supercritical Fluid Technologies Polish