Począwszy od podstawowych ekstraktorów do systemów badawczych i skali pilotażowej stosujemy czołowe, opatentowane i zastrzeżone technologie z konstrukcją zapewniającą szerokie możliwości konfigurowania, aby zaoferować gamę produktów, które są zgodne z potrzebami i budżetem odbiorcy.
Nasze urządzenia do ekstrakcji zostały zaprojektowane z myślą o zapewnieniu wysoce precyzyjnych i powtarzalnych wyników, przy jednoczesnym zwróceniu szczególnej uwagi na bezpieczeństwo, trwałość i możliwości adaptacji do użytku w badaniach naukowych, jak również w wielu specjalistycznych zastosowaniach.
System klasy badawczej SFT-110 został zaprojektowany zgodnie z rygorystycznymi specyfikacjami i zapewnia bardzo dokładne, powtarzalne wyniki. Jest on szeroko stosowany w przemyśle i do ekstrakcji produktów naturalnych oraz jest doskonałym narzędziem w laboratoriach dydaktycznych, ale może również służyć do poważniejszych badań.
System SFT-150 o pojemności 2 litrów oferuje większe możliwości przetwarzania niż modele SFT-120 i jest idealny do powtarzalnych procesów ekstrakcji laboratoryjnej oraz rozwoju i optymalizacji procesów. Jego modułowa konstrukcja ułatwia zmianę konfiguracji i modernizację w celu spełnienia nowych lub zmieniających się potrzeb dotyczących zastosowania.
SFT-130A SFE łączy w sobie łatwość obsługi stacjonarnego SFE z wieloma funkcjami, które zazwyczaj można znaleźć tylko w większych i bardziej kosztownych systemach skali pilotażowej. Urządzenie jest w pełni zautomatyzowane i nadaje się do wielu zastosowań, od badań podstawowych po rozwój procesu. W pełni zautomatyzowane urządzenie do ekstrakcji CO2 w stanie nadkrytycznym SFT-130A zostało opracowane w celu zbadania możliwości zastosowania ekstrakcji w stanie nadkrytycznym do wielu różnych zastosowań analitycznych i związanych z przetwarzaniem materiałów.
Dzięki pojemności 2 litrów, seria SFT-150 oferuje większą wydajność przetwarzania niż modele SFT-110, a system ten jest idealny do powtarzalnych ekstrakcji laboratoryjnych oraz rozwoju i optymalizacji procesów. Modułowa konstrukcja ułatwia zmianę konfiguracji urządzenia i jego modernizację w celu spełnienia nowych lub zmieniających się wymagań aplikacji.
Posiadając wiele cech charakterystycznych w pełni zautomatyzowanych systemów skali pilotażowej, SFT-250 jest w stanie obsługiwać duże badania laboratoryjne oraz przetwarzanie pilotażowe na małą skalę. Dzięki pojemności do 5 litrów i elastycznej konfiguracji system SFT-250 można łatwo zmodyfikować do zmieniających się potrzeb związanych z zastosowaniem.
Monitor fazy II SFT umożliwia bezpośrednią, wzrokową obserwację eksperymentów przeprowadzanych w dwutlenku węgla w stanie ciekłym lub nadkrytycznym lub innych skroplonych gazach, pozwalając badaczom na obserwację procesu rozpuszczania, wytrącania i krystalizacji związków w szerokim zakresie ciśnień i temperatur, a także na określenie parametrów rozpuszczalności i wpływu współrozpuszczalników.
– Pompa CO2 o stałym ciśnieniu
– Wyświetlanie i kontrola ciśnienia
– Ciśnienie do 10.000 psi (68,9 MPa)
– Możliwość wyboru punktu nastawy ciśnienia
– Przepływ do 100 ml/min ciekłego CO2
– Samodzielne chłodzenie termoelektryczne
– Ścieżka płynu z nierdzewnej stali
SFT-10 to nasza najpopularniejsza pompa o solidnej i precyzyjnej konstrukcji, która dostarcza ciekły CO2 pod ciśnieniem do 68,9 MPa (10 000 PSI).
– Ciśnienie do 10.000 psi (68,9 MPa)
– Natężenie przepływu do 125 ml/min (zależne od ciśnienia)
– Ścieżka płynu z nierdzewnej stali szlachetnej
– Ciekły CO2
Chłodnica Peltiera
– Przetwornik ciśnienia
– Tryb stałego ciśnienia lub stałego przepływu
– Możliwość wyboru ustawionego ciśnienia lub ustawionego natężenia przepływu
– Opcjonalnie dostępna grzałka post-pompowa
– Micro USB i port szeregowy RS-232
Port komunikacyjny
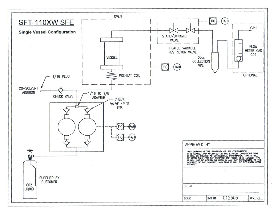
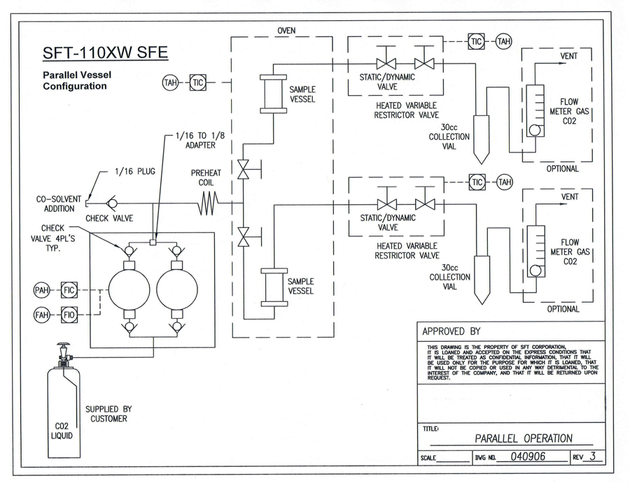
Ekstraktor produktów naturalnych STF został zaprojektowany do uzyskiwania wysokiej jakości ekstraktów z roślin botanicznych, ziół, przypraw, olejków eterycznych i innych produktów naturalnych. System wykorzystuje przyjazną dla środowiska technikę znaną jako ekstrakcja nadkrytycznym CO2. Wyposażona w elastyczną platformę przetwarzania, może być skonfigurowana do użycia jednego, dwóch lub trzech zbiorników o pojemności 1000 ml.